气动钳盘式制动器

product show

CQP20B-A气动钳盘式制动器

订购热线:

15138067775

立即咨询
详细描述

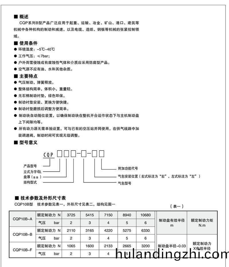
■ 概述QP(CQP)系列气动钳盘制动器主要用于起重、运输、冶金、矿山、港 口、建筑等机械中各种机构的制动和减速。

       ■ 使用条件

  ● 环境温度:-5℃~40℃

  ● 工作气压:QP系列为5-7bar;CQP系列为≤7bar。

  ● 户外雨雪侵蚀或有腐蚀性气体和介质应采用防腐型产品。

  ● 空气源不应有油、水和其他杂质。

  ■ 主要特点

  ● QP系列为弹簧制动,气动释放;CQP系列为气压制动,弹簧释放。

  ● 整体结构简单,体积小,重量轻。

  ● 无石棉制动衬垫,绿色环保。

  ● 制动衬垫安装采用压簧卡装式,更换方便快捷。

  ● 制动衬垫磨损后调整方便简单。

  ● QP系列每种规格制动器的一种盘径可进行四级制动力矩调整。

  ● 所有动力源无需单独设置,可与已有的空压站并网使用,在供气线路中加

  装调速阀,制动时间可实现无级调整。

201411141430234329264.jpg2014111414301510991110.jpg2014111414302598477065.jpg2014111414303575089656.jpg2014111414304551582045.jpg2014111414305481293195.jpg

201411141431378193458.jpg2014111414311357887621.jpg20141114143124312112800.jpg20141114143134089049.jpg


Ubaod